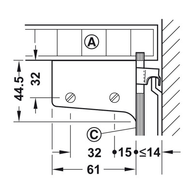
✨Phụ kiện treo tủ, tủ treo tường, khả năng chịu tải 150 kg/cặp, bắt vít Hafele - 290.00.740







- Tuốc nơ vít có thể nghiêng ± 15 ° cho phép điều chỉnh vít thoải mái.
- Lắp đặt: Bắt vít
- Gắn lắp
- Màu sắc/lớp hoàn thiện: Màu trắng
- Phiên bản của sản phẩm: Có thể nhìn thấy bên trong tủ
- Lĩnh vực ứng dụng: Cho bộ gắn tường
- Khả năng chịu tải ổ bi trên mỗi cặp: 150 kg
- Vật liệu: Nhựa
- Thông số lắp đặt tham khảo: Bas treo tủ phải được lắp vào phía trên cùng (1/3 của cánh tủ) vì lý do an toàn.
- Tham chiếu đơn hàng
- Vít Hospa Ø 4,5 không được cung cấp. Vui lòng đặt hàng riêng.
- Để sử dụng với bas gắn tường 29019900/29008920/921 hoặc thanh ray 29010900 có đặt hàng riêng




Bóng chữa cháy - 1.3Kg Bóng chữa cháy có thể sử dụng rộng rãi: Nhà ở, xe hơi, kho hàng, xưởng sản xuất, quán karaoke, cafe, bệnh viện, trường họ Phạm vi dập lửa nhanh
Sản phẩm đúng như hình ở trên kèm theo 3 vít ạ bắt vào cửa. ĐẾ CAO SU MỀM Chặn cửa chống gió lùa sập cửa Chặn cửa 2 chiều Chống trẻ con đẩy cửa
GIÁ TREO BÌNH CHỮA CHÁY BẰNG SẮT – KIỂU TREO TƯỜNG 1. Mô tả sản phẩm: - Tên sản phẩm: Giá treo bình chữa cháy bằng sắt (kiểu treo tường) - Chất liệu: Thép sơn
Cuộn xốp dán chân bàn ghế đa năng là giải pháp tiện ích giúp bảo vệ sàn nhà chống xước, giảm tiếng ồn và chống trượt hiệu quả. Sản phẩm có thiết kế dạng cuộn
1. THÔNG TIN SẢN PHẨM - Kích Thước: 6 x 4.4 x 4.4cm. - Trọng Lượng: 50g. - Chất Liệu: hợp kim nhôm, không rỉ sét và bền bỉ. - Đối Tượng Sử Dụng: cửa
Tay Đẩy Cửa Tự Động Dành Cho Cửa Gỗ, Nhôm Ứng Dụng: cửa gỗ, nhôm, sắt rỗng cho nhà,khách sạn,văn phòng, Chất liệu: thép không gỉ Đóng mở cửa linh hoạt, tự động, dụng cụ
Thiết bị bộ điều khiển trung tâm phiên bản mới của Lumi ra mắt hồi tháng 11/2020 được bổ sung thêm phần cứng là module Bluetooth Mesh (đồng thời vẫn giữ nguyên những tính năng
- Kết nối không dây: Zigbee/ Bluetooth - Phát hiện chuyển động. - Đo cường độ ánh sáng của môi trường xung quanh. - Đo mức nhiệt độ, độ ẩm của môi trường xung quanh.
THÔNG SỐ KỶ THUẬT CPU Quad-core ARM [email protected] RAM 512MB Bộ nhớ trong Flash 4GB Tích hợp 4G LTE Simcom A7672S + Nano Sim Cổng LAN 1Gbps Điện áp 9-24 VDC Nguồn cấp 12V
Bản lề kính tường - Nhãn hiệu: Glaze - Kiểu bản lề: Liên kết kính với tường góc 90° - Bảo hành: 12 tháng Mã sản phẩm: - 2212.0201.30 – inox 304 bóng Mô tả
HỘP ĐỰNG TIỀN MINI DỄ DÀNG MANG THEO BÊN NGƯỜI Hộp chữ nhật đựng tiền và đồ vật nhỏ có giá trị vô cùng tiện lợi. Hộp đựng có nhiều ngăn: ngăn tiền mặt, ngăn
- #chuongbaodong #thietbichongtrom #chongtrom #baodong #gancua #thietbibaodong #nhua #canhbao #9v - Nếu nhà bạn ở khu vực an ninh không tốt, thay vì hàng tối trước khi đi ngủ bạn chặn cửa bằng ghế, gỗ…
- Phát hiện trạng thái đóng/ mở cửa - Đo nhiệt độ, độ ẩm, cường độ sáng tại điểm gắn - Kết hợp với các thiết bị điện thông minh để tạo ngữ cảnh phù
2. Thông số kỹ thuật sản phẩm cảm biến khói Tiêu chí Thông số kỹ thuật Điện áp hoạt động 3V DC (Pin Lithium CR17335/CR123A) Tuổi thọ pin 3-5 năm Âm lượng cảnh báo >85
Hố Chặn Cát KUNBE Hố Chốt Âm Lò Xo Inox Chống Cát Bụi 1. THÔNG
Chặn Cửa Chống Sập Cửa Gắn Tường KUNBE Nhiều Kích Thước Chống Va Đập Hiệu Quả 1. THÔNG TIN SẢN PHẨM - Chất Liệu: Thép Không
1. THÔNG TIN SẢN PHẨM - Chất Liệu: Thép Không Gỉ + Đệm Cao Su - Kích Thước: Xem Chi Tiết Trên Ảnh - Màu Sắc: Bạc,... 2. ĐẶC ĐIỂM SẢN PHẨM - Chặn cửa
Bạn có bao giờ tò mò về thế giới bí ẩn bên trong cơ thể mình? Muốn tận mắt nhìn ngắm những ngóc ngách sâu thẳm của tai, mũi, họng mà không cần đến gặp
Bạn có muốn du ngoạn vào thế giới bí ẩn bên trong cơ thể, khám phá những ngóc ngách mà mắt thường không thể nhìn thấy? Hãy biến điều ước viễn tưởng thành hiện thực
Chặn cửa chân móng ngựa có lẫy gạt chống va đập Hobby Home Decor CMG1 Thông tin kỹ thuật - Chất liệu: hợp kim kẽm - khó rỉ sét - Đi kèm đinh ốc và
Chặn Cửa Bán Nguyệt, Chặn Cửa Thông Minh, Chặn Cửa Phòng, Chặn Cửa Không Khoan, Chặn Cửa Nam Châm Gắn Sàn Giúp Hạn Chế Va Đập Cho Cánh Cửa, An Toàn Cho Trẻ Nhỏ. Sản
- Aqara Hub phiên bản mới ZHWG12LM - Hub trung tâm kết nối các thiết bị Aqara, hỗ trợ điều khiển từ xa, tạo tự động hoá - Hỗ trợ lên tới 128 thiết bị
Chặn Cửa Bán Nguyệt, Chặn Cửa Nam Châm, Chặn Cửa Thông Minh, Chặn Cửa Gắn Sàn Sử Dụng Miếng Dán 3M Chắc Chắn, Không Cần Khoan Đục, An Toàn Cho Em Bé. - Sản phẩm
Nếu nhà bạn đang gặp các vấn đề về việc hơi máy lạnh thoát ra ngoài, gió lạnh lùa vào nhà, bụi bay vào nhà, tiếng ồn bên ngoài, nhà có em bé, thì Miếng
Khóa Tủ Đa Năng, An Toàn Cho Bé, Tiện Lợi Cho Mẹ - Khóa Chốt Theo Phong Cách Hiện Đại, Sản Phẩm Tiện Ích. TakyHome *Bé khi tập đi thường rất hay tò mò tìm
* Chặn Cửa Gắn Sàn, Chặn Cửa Bán Nguyệt Nhiều Màu, Taky Home Chống Va Đập Cánh Cửa, An Toàn, Giá Tốt, Siêu Bền. * Chặn cửa gắn sàn giúp hạn chế va đập khi
* Chặn Cửa Bán Nguyệt Inox, Chặn Cửa Chống Va Đập Cánh Cửa, Chặn Cửa Đa Năng Siêu Bền, Không Cần Khoan Đục, TakyHome * Chặn Cửa Gắn Sàn giúp hạn chế va
* Chặn Cửa An Toàn Dán Tường Phòng Tắm Sử Dụng Miếng 3M Siêu Chắc, Chặn Cửa Đa Năng, Chặn Cửa Phòng, Chống Va Đập Cửa Với Tường, Khi Mặt Sàn Nhiều Nước. TakyHome *
* Chặn Cửa Bán Nguyệt Có Nam Châm, Chặn Cửa An Toàn, Siêu Chắc Chắn, Chặn Cửa Inox Không Khoan. TakyHome * Chặn Cửa Hít Nam Châm gắn sàn giúp hạn chế va đập khi
10 Nút Đệm Trong Suốt Silicone Tự Dán, Tiện Dụng Giúp Chống Va Đập Cánh Cửa, Đồ Đạc Trong Gia Đình Có tác dụng dán đa năng trong nhà, để giảm va chạm, giảm tiếng
Giới Thiệu Sản Phẩm Thiết Bị Chống Trộm Và Báo Khách CT01 Trong thời đại công nghệ hiện nay, cuộc sống đã trở nên tiện lợi hơn bao giờ hết với sự phát triển của
Super Scanner S699 - "Vị Kỵ Sĩ" Bảo Vệ Bí Mật Cho Kỷ Nguyên Số Bạn có bao giờ nghi ngờ rằng những bí mật của mình bị lộ ra ngoài? Hay bạn lo lắng
Super Scanner MD3003B1 "Siêu thính" dò kim loại, bảo vệ an ninh toàn diện! Bạn đang tìm kiếm một máy dò kim loại cầm tay nhỏ gọn, tiện lợi, hoạt động hiệu quả để đảm
Chốt cửa an toàn Hafele - 489.15.001 là phụ kiện nhà ở được sản xuất theo công nghệ tiên tiến của Đức, ưu việt, phù hợp với đa dạng không gian sống. Sản phẩm được
Máy tuần tra bảo vệ GS-6100CL thiết kế chắc chắn, có khả năng chống nước, chống va đập, dung lượng lưu trữ lớn, kết nốt với máy tính bằng cổng USB siêu bền. Phần mềm
MÔ TẢ SẢN PHẨM Coisicin là một chế phẩm thường được sử dụng trong chọn giống thực vật để gây đột biến nhân tạo. Coisicin tạo ra tế bào đa bội hoặc thể đa
Chốt Trượt An Toàn Cửa, Chốt An Toàn Cho Cửa Nhà, Cửa Phòng, Đề Phòng Đột Nhập, Đẩy Cửa Vào Khi Mở Cửa. TakyHome Bạn đã bao giờ rơi vào trường hợp, khi nghe tiếng
Dây Xích Chốt An Toàn, Hạn Chế Mở Cửa, Đảm Bảo An Toàn, Chắc Chắn, Bảo Vệ Người Trong Gia Đình và Trẻ Nhỏ. TakyHome Bạn đã bao giờ rơi vào trường hợp, khi nghe
Đặc điểm nổi bật: do sản phẩm được làm bằng xốp đặc và vải EPE nên dễ dàng cắt ghép lại với nhau (như video hướng dẫn) Chất liệu: Xốp đặc + vải EPE phủ
Chốt Cài Cửa KUNBE Bằng Thép Không Gỉ Dày Dặn Chống Phá Khóa Từ Bên Ngoài Tại các khu chung cư, đặc biệt nhiều nơi an ninh kém, có nhiều thành phần ở bên ngoài
- Khoảng cách từ cạnh cửa đến tâm lỗ ruột khoá: 60/70 mm - Vật liệu: Hợp kim kẽm - Màu sắc: Niken mờ - Loại cửa: Cửa gỗ và cửa sắt - Độ dày
HỘP ĐỰNG TIỀN KHÓA MẬT KHẨU - MÀU ĐEN - SIZE L Hộp chữ nhật đựng tiền và đồ vật nhỏ có giá trị vô cùng tiện lợi. Hộp đựng có nhiều ngăn: ngăn tiền
PHỤ KIỆN CỬA TRƯỢT LÙA - Mã sản phẩm: SL-2410-W2 - Nhãn hiệu: GLAZE - Bảo hành: 12 tháng Tính năng chung: - Hệ thống cửa trượt treo mở/đóng bằng tay, không cần nguồn điện.
BÌNH CẦU CHỮA CHÁY TỰ ĐỘNG TOMOKEN 8KG Bình cầu chữa cháy tự động Tomoken 6kg là loại bình được sản xuất bởi công nghệ Nhật Bản. Sản phẩm được kiểm soát nghiêm ngặt về
MÃ HÀNG:HD1081 NGUỒN ĐIỆN: DC 24V / 10mA ĐIỀU KIỆN MÔI TRƯỜNG: -10°C ĐẾN 50°C, 95% RH KÍCH THƯỚC/KHỐI LƯỢNG: Ø103mm x D47mm (GỒM ĐẾ) / 84g NHIỆT ĐỘ HOẠT ĐỘNG: TỐC ĐỘ TĂNG NHIỆT ~10°C/PHÚT ĐÈN CHỈ THỊ HOẠT ĐỘNG: ĐÈN LED MÀU ĐỎ TIÊU CHUẨN SỬ DỤNG: TỐI ĐA 50EA / 1 ZONE CHIỀU CAO LẮP ĐẶT: DƯỚI 8m PHẠM VI DÒ: DƯỚI 4m: 70m2 / TRÊN 4m - DƯỚI 8m: 35m2 NƠI ÁP DỤNG: VĂN PHÒNG, TẦNG HẦM, BẾN TÀU, NHÀ KHO, NHÀ THỜ, NHÀ HÀNG, TRƯỜNG HỌC, TIỆM TẠP HÓA, PHÒNG THỂ THAO, … #himax #pccc #baochay #hanquoc #vietnam #kiemdinh #hethongpccc #himaxvietnam #hethongbaochay #antoanchongno #baochayhimax #korea #thietbibaochay #baochaytudong #antoanchayno #HD1081 #daubaodiachi #daubaonhietdiachi #daubaochaydiachir #hethongbaochaydiachi #pccc #antoanchayno
MÃ HÀNG: HD1003 NGUỒN ĐIỆN: DC 24V / 10mA ĐIỀU KIỆN MÔI TRƯỜNG: -10°C ĐẾN 50°C, 95% RH KÍCH THƯỚC/KHỐI LƯỢNG: Ø103mm x D47mm (GỒM ĐẾ) / 119g ĐÈN CHỈ THỊ HOẠT ĐỘNG: ĐÈN LED MÀU ĐỎ TIÊU CHUẨN SỬ DỤNG: TỐI ĐA 25EA / 1 ZONE PHẠM VI DÒ: DƯỚI 4m: 150m2 / TRÊN 4m - DƯỚI 15m: 70m2 NƠI ÁP DỤNG:VĂN PHÒNG, TẦNG HẦM, BẾN TÀU, NHÀ KHO, NHÀ THỜ, NHÀ HÀNG, TIỆM TẠP HÓA, KHÁCH SẠN, PHÒNG MÁY TÍNH, PHÒNG HỌP, PHÒNG KARAOKE, … #himax #pccc #baochay #hanquoc #vietnam #kiemdinh #hethongpccc #himaxvietnam #hethongbaochay #antoanchongno #baochayhimax #korea #thietbibaochay #baochaytudong #antoanchayno #HD1003 #daubaokhoi #daubaokhoiquangdien #daudokhoi #daubaochay
MÃ HÀNG: HD1014 NGUỒN ĐIỆN: DC 24V / 3mA ĐIỀU KIỆN MÔI TRƯỜNG: -10°C ĐẾN 50°C, 90% RH KÍCH THƯỚC/KHỐI LƯỢNG: Ø110mm x D40mm / 90g LOẠI : ĐỊA CHỈ CHỈ DẪN HOẠT ĐỘNG: ĐÈN LED MÀU ĐỎ TIÊU CHUẨN SỬ DỤNG: 150EA / LOOP NHIỆT ĐỘ PHÁT HIỆN CHÁY: 40°C ~ 80°C (CÓ THỂ CÀI ĐẶT NHIỆT ĐỘ PHÁT HIỆN CHÁY) NƠI ÁP DỤNG: VĂN PHÒNG, TẦNG HẦM, NHÀ KHO, NHÀ THỜ, NHÀ HÀNG, TIỆM TẠP HÓA, KHÁCH SẠN, PHÒNG MÁY TÍNH, PHÒNG HỌP, PHÒNG KARAOKE, … #himax #pccc #baochay #hanquoc #vietnam #kiemdinh #hethongpccc #himaxvietnam #hethongbaochay #antoanchongno #baochayhimax #korea #thietbibaochay #baochaytudong #antoanchayno #HD1014 #daubaodiachi #daubaonhietdiachi #daubaochaydiachir #hethongbaochaydiachi #antoanchayno #daubaonhiet
MÃ HÀNG: HM4001 NGUỒN ĐIỆN: DC 24V / 100mA ĐIỀU KIỆN MÔI TRƯỜNG: -10°C ĐẾN 50°C, 95% RH KÍCH THƯỚC/KHỐI LƯỢNG: W160mm x H170mm x D60mm (BAO GỒM CẢ HỘP)/550g CẤU TẠO: ĐÈN NGUỒN, ĐÈN ĐÓNG CỔNG VAN, ĐÈN MỞ VAN, CÔNG TẮC KÍCH HOẠT VAN, GIẮC ĐIỆN THOẠI MÀU SẮC: XÁM CHIỀU CAO LẮP ĐẶT: 0.8m ~ 1.5m NƠI ÁP DỤNG: VĂN PHÒNG, TẦNG HẦM, BẾN TÀU, NHÀ KHO, NHÀ THỜ, NHÀ HÀNG, TIỆM TẠP HÓA, KHÁCH SẠN, PHÒNG MÁY TÍNH, PHÒNG HỌP, PHÒNG KARAOKE, … #himax #pccc #baochay #hanquoc #vietnam #kiemdinh #hethongpccc #himaxvietnam #hethongbaochay #antoanchongno #baochayhimax #korea #thietbibaochay #baochaytudong #antoanchayno #HM4001 #nutanxanuoc #nutansprinkler #sprinkler #xanuocsprinkler #xanuocchuachay #hethongchuachay #tramxanuoc
MÃ HÀNG: KOREA LOẠI: ĐÈN LED NGUỒN ĐIỆN: AC 220V, 50/60Hz PIN DỰ PHÒNG: 400 mAh x 3.6V (Ni-Cd) KÍCH THƯỚC/KHỐI LƯỢNG: W260mm x H217mm x D55mm / 592g ĐẦU VÀO HIỆN TẠI: 22mA THỜI GIAN CHIẾU SÁNG KHI MẤT ĐIỆN: 120 PHÚT CÔNG SUẤT TIÊU THỤ: 2W #himax #pccc #baochay #hanquoc #vietnam #kiemdinh #hethongpccc #himaxvietnam #hethongbaochay #antoanchongno #baochayhimax #korea #thietbibaochay #baochaytudong #antoanchayno #KOREA #chieusangkhancap #denchieusangkhancap #denthoathiem #denmatech #denkhancap #denpin #PCCC #antoanchayno #himax
MÃ HÀNG: HIS604 NGUỒN ĐIỆN: ĐIỆN DC 24V LOẠI: LOẠI R / ADDRESS ĐẦU VÀO/ ĐẦU RA: 4/4 GIỚI HẠN ÁP DỤNG: DÙNG CHO TỦ TRUNG TÂM BÁO CHÁY ĐỊA CHỈ ĐIỀU KIỆN MÔI TRƯỜNG:
MÃ HÀNG: WC-14-3 LOẠI: CHỐNG NỔ ( Ex d IIC T6 IP65 ) NGUỒN ĐIỆN: AC 220V ĐIỆN ÁP ĐÈN: 4.4V PIN DỰ PHÒNG: DC 4.8V, 1300mAh Ni-Cd NƠI ÁP DỤNG: KHU VỰC DỄ CHÁY NỔ #himax #pccc #baochay #hanquoc #vietnam #kiemdinh #hethongpccc #himaxvietnam #hethongbaochay #antoanchongno #baochayhimax #korea #thietbibaochay #baochaytudong #antoanchayno #WC-14-3 #denkhancap #denchieusangkhancap #denkhancapchongno #denchieusangkhancapchongno #chongno #explosionproof #himax
MÃ HÀNG: SVP LOẠI: CHỐNG NỔ ( Ex d IIB+T6 IP65 ) / ĐÓNG LÊN MẶT TƯỜNG BAO GỒM: - CHỈ SỐ NGUỒN ĐIỆN + NGUỒN ĐIỆN: DC 24V + ĐÈN LED MÀU SẮC: ĐỎ - ĐÈN CẢNH BÁO VAN + NGUỒN ĐIỆN: DC 24V + ĐÈN LED MÀU SẮC: VÀNG - ĐÈN TẮT VAN + NGUỒN ĐIỆN: DC 24V + ĐÈN LED MÀU SẮC: XANH - CẦU ĐẤU DÂY: 10P x 2EA, 20A - KÍCH THƯỚC ĐƯỜNG ỐNG VÀO:PF 3/4 x 2EA, PF 1 x 1EA KÍCH THƯỚC/KHỐI LƯỢNG: W220mm x H220mm x D135mm / 12Kg CHIỀU CAO LẮP ĐẶT: 0.8m ~ 1.5m NƠI ÁP DỤNG: KHU VỰC DỄ CHÁY NỔ #himax #pccc #baochay #hanquoc #vietnam #kiemdinh #hethongpccc #himaxvietnam #hethongbaochay #antoanchongno #baochayhimax #korea #thietbibaochay
MÃ HÀNG: IRGQ2 XUẤT XỨ: HÀN QUỐC KHOẢNG CÁCH HOẠT ĐỘNG: TỪ 1m ĐẾN 3m BÓNG ĐÈN: HALOGEN THỜI GIAN SẠC: 3 GIỜ CÔNG DỤNG: KIỂM TRA HOẠT ĐỘNG CỦA ĐẦU BÁO LỬA ƯU ĐIỂM: NHỎ GỌN, DỄ DÀNG SỬ DỤNG #himax #pccc #baochay #hanquoc #vietnam #kiemdinh #hethongpccc #himaxvietnam #hethongbaochay #antoanchongno #baochayhimax #korea #thietbibaochay #baochaytudong #antoanchayno #IRGQ2#daubaolua #kiemtradaubao #kiemtradaubaolua #thietbikiemtra
Tính năng nổi bật Nhập khẩu từ Ý IP66 Weather-proof/UV protection ABS horn Biến dòng 100V Thích hợp cho môi trường bên trong và bên ngoài Cách điện kép IP66 nhôm tròn chống thời tiết/chống tia
Tính năng nổi bật Nhập khẩu từ Ý IP66 Weather-proof/UV protection ABS circular horn Công suất 10/5/2,5/1,25 Watt Biến áp 100/70V SPL 1W/1m 106dB Loa còi chịu thời tiết IP66 bằng nhựa ABS Tính năng
Tính năng nổi bật FBT Nhập khẩu từ Ý Outdoor Use IP44 Phản hồi thường xuyên: 160-20.000 Độ nhạy (@1W/1m): 98 Loa còi High-Fidelity, hai chiều, công suất 15 W MSH 15HF/EN được trang bị
"K300" - "Bảo Vệ Toàn Diện", "An Tâm" Mọi Lúc Mọi Nơi! Bạn có "mơ hồ" về những "chiếc mắt" ẩn nấp trong bóng tối? Lo lắng về "kẻ trộm" rình rập trong đêm khuya?
Thẻ Từ Cảm Ứng dày 1.8mm - Thẻ Từ Chấm Công 125KHZ Tần số làm việc: 125KHZ Khoảng cách đọc : 2-10CM Kích thước: 85,5 * 54 *1.8 (mm) Ứng dụng ABS :Thẻ từ chấm
Chức năng báo hiệu khi phát hiện kim loại : Báo rung. Báo âm thanh ra loa " Bíp" . Đèn báo khi pin yếu. Chuyên sử dụng: sân bay kiểm tra thiết bị cấm
👁️ 1 | ⌚2025-10-07 16:30:02.046
Phụ Kiện Tủ Bếp Cao Cấp New 2020 Hệ Tủ Treo Tủ Kho | Việt Mộc
[Video] Trải nghiệm tính năng thông minh của phụ kiện Häfele
Giá để tivi treo tường chịu tải 50 kg LA100 L | Phụ kiện nội thất thông minh | Flexhouse VN
Thanh treo phụ kiện Hafele – 522.54.204
Dụng cụ hỗ trợ lắp đặt tủ treo tường ( Bộ 2 cái ) #vinachi #mộcvinachi #dungculammoc #mũisoigỗ #diy
Cách Lắp Đặt Bas Treo Tủ Tường Hafele

Phụ Kiện Tủ Bếp Cao Cấp New 2020 Hệ Tủ Treo Tủ Kho | Việt Mộc
[Video] Trải nghiệm tính năng thông minh của phụ kiện Häfele
Giá để tivi treo tường chịu tải 50 kg LA100 L | Phụ kiện nội thất thông minh | Flexhouse VN
Thanh treo phụ kiện Hafele – 522.54.204
Dụng cụ hỗ trợ lắp đặt tủ treo tường ( Bộ 2 cái ) #vinachi #mộcvinachi #dungculammoc #mũisoigỗ #diy
Cách Lắp Đặt Bas Treo Tủ Tường Hafele

Đầu Phun Nghệ Thuật Hình Mỏ Vịt Có Chỉnh Góc Cho Đài Phun Nước Phi 27mm: -Kiểu Phun : Hình Mỏ Vịt -Chất Liệu : đồng xi inox -Góc Phun : 30-60 độ -Phun Cao
Trăng Chiều Rực Rỡ - Tập 8 Nhờ chuyến du lịch tới Kobe cùng bạn bè, sợi dây liên kết giữa Yoi và Ichimura được thắt chặt hơn, tình cảm cũng thêm sâu đậm sau
Cái chết của giới chuyên gia Cái Chết Của Giới Chuyên Gia gây tiếng vang lớn ngay sau khi ra đời. Nó được nằm trong Top danh mục sách phi hư cấu hay nhất năm
Trong cuốn sách này, tác giả đã đưa ra những cách giải bài tập độc đáo và ngắn gọn nhất, giúp học sinh dễ dàng hiểu được kiến thức trọng tâm và làm tốt các
Cuốn sách này xuất phát từ một thực trạng: sự hiện diện của khoa học Việt Nam trên trường quốc tế còn quá khiêm tốn. Số bài báo khoa học trên các tập san khoa học
Atlas động vật THÔNG TIN ẤN PHẨM: - Tác giả: Barbara Taylor biên soạn; Kenneth Lilly minh họa - Dịch giả: Lê Thu Hằng - Kích thước: 22 x 29 cm - Số trang: 64
MẮT NÓI – Những tiếng nói được hồi sinh từ ánh mắt Công ty phát hành: Thái Hà Tác giả: Lê Thanh Hà Số trang: 316 trang Nhà xuất bản: Thế Giới Khổ: 14.5 x
Marugoto - Ngôn ngữ và Văn hóa Nhật Bản Tiếp nối cho giáo trình Marugoto - Ngôn ngữ và Văn hóa Nhật Bản cấp độ A1 - nhập môn đã được xuất bản và ra
1. Hướng Dẫn Học Tốt Ngữ Văn 8 - Tập 1 (Bám Sát SGK Cánh Diều) Công ty phát hành Nhà Sách Hồng Ân Tác Giả Kiều Bắc | Nguyễn Thị Hoa | Nguyễn
Combo Em Học Toán Lớp 9 Tập 1 + 2 (Dùng Chung Cho Các Bộ SGK Hiện Hành) (Bộ 2 Cuốn) 1. Em Học Toán Lớp 9Tập 1 (Dùng Chung Cho Các Bộ SGK
Bộ sách Hướng dẫn học toán lớp 2 - quyển 1 , 2 , 3 , 4 được biên soạn bởi trường Archimedes school nhằm cung cấp cho các em học sinh lớp 1 cùng
Bộ sách Hướng dẫn học toán lớp 4 - quyển 1 , 2 , 3 , 4 được biên soạn bởi trường Archimedes school nhằm cung cấp cho các em học sinh lớp 1 cùng
SÁCH - Phương pháp mới giải nhanh bài tập di truyền (dùng chung các bộ sgk hiện hành) - HA Từ năm 2010, tác giả Phan Khắc Nghệ đã đưa ra các phương pháp giải
Combo Hướng Dẫn Học Tốt Ngữ Văn 8 - Tập 1 + 2 (Bám Sát SGK Cánh Diều) (Bộ 2 Cuốn) 1. Hướng Dẫn Học Tốt Ngữ Văn 8 - Tập 1 (Bám Sát SGK
Sách - Bồi dưỡng học sinh giỏi toán 9 (dùng chung cho 3 bộ sgk) Với mỗi dạng bài tập cơ bản đều có phương pháp giải cụ thể và ví dụ minh họa. Ngoài
CÁI BẪY CỦA TRÍ THÔNG MINH Những mặt trái của trí thông minh Cuốn sách dành cho cả bộ môn khoa học và nghệ thuật về trí tuệ Vì sao những người thông minh
Công Dân Toàn Cầu Không Tự Nhiên Mà Có Khái niệm “công dân toàn cầu” giờ đây sẽ không còn quá chung chung và mơ hồ nữa. Với cuốn sách này, các bậc cha mẹ, thầy cô
Tác giả : Arthur C. Brooks & Oprah Winfrey Số trang : 320 Khổ sách
Hãy Sống Cuộc Đời Như Bạn Muốn Hãy sống cuộc đời như bạn muốn, cuốn sách kỹ năng của tác giả Pam Grout sẽ hướng dẫn bạn cách thay đổi thái độ, nắm bắt ý
Combo 101 Mẹo Đối Phó Với Đồng Nghiệp + 101 Mẹo Đối Phó Với Sếp (Bộ 2 Cuốn) Có lẽ không phải bất cứ ai đều biết rằng ngoài khả năng chuyên môn, để có